凸輪轉子泵維修技術要點分析
摘要:凸輪轉子泵是化纖生產中物料(漿料)榆送系統的重要設備,介紹其技術性能、常見故障分析和維修技術要點,為設備通過管道連續…
銷售熱線
021-56082699 56081570
電子郵箱
likaimp@163.com
摘要:凸輪轉子泵是化纖生產中物料(漿料)榆送系統的重要設備,介紹其技術性能、常見故障分析和維修技術要點,為設備通過管道連續…
摘要:在化工領域,考慮到一次投賚成本和維修簡便,很多裝置內輸送物料場合業主習慣選用離心泵的轉子泵型比較多,而轉子泵如螺桿…
隨著生活水平和健康意識的不斷提高,人們對于食品安全的要求也越來越高。在食品及藥品生產過程中越來越多地采用了全自動化控制…
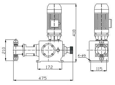
可調計量范圍:0-150L/H
壓力承受范圍:0-50MPa
驅動方式:電機驅動
控制方式:手動、自動控制 (可接收4-20mA信號來調節流量)
配置方式:泵頭保溫、冷卻、電機可配防爆
1、與介質直接接觸部位全采用不銹鋼及四氟材質。過流適應一般顆粒,無毒無味。
2、殼體耐用,澆鑄殼體,鑄銅蝸輪及耐磨球軸承,潤滑油潤滑所有驅動零件。
3、易損部件全部經過特殊化處理,質量保證。
4、內部配置性能良好的調節器總成,延長泵的使用壽命,并降低了噪音。
5、定量輸出,在泵運行或停止時也可任意調節流量,精度高可達正負百分之一。
6、吐出壓力可達500KG。
7、適用于輸送溫度為 -30~120℃,粘度為 0.3~800mm2/s 的介質。
|
泵頭部位材料 |
工作條件 |
|
計量泵頭:SUS304、SUS316 |
環境溫度: |
|
計量閥: SUS304、SUS316 |
電機: 二相、三相標準電機或防爆電機 |
|
閥球: 二氧化硅、SUS304、SUS316、陶瓷、氧化鋯 |
功率:0.37KW 0.55KW |
|
密封: 聚四氟乙烯 |
防護等級:IP55 |
| 型號 | 流量(L/H) | 壓力(Mpa) | 柱塞直徑(mm) | 行程(mm) | 泵速(mm) | 電機功率(kw) | 進出口徑(DN) | 重量(kg) |
| J-X 2.5/50 | 2.5 | 50 | 6 | 20 | 96 | 0.55 | 6 | 30 |
| J-X 2.5/38 | 2.5 | 38 | 0.37 | |||||
| J-X 4.2/32 | 4.2 | 32 | 8 | 0.55 | ||||
| J-X 4.2/21 | 4.2 | 21 | 0.37 | |||||
| J-X 8/20 | 8 | 20 | 10 | 0.55 | ||||
| J-X 8/13 | 8 | 13 | 0.37 | |||||
| J-X 12/14 | 12 | 14 | 12 | 0.55 | ||||
| J-X 12/9.0 | 12 | 9.0 | 0.37 | |||||
| J-X 20/7.6 | 20 | 7.6 | 16 | 0.55 | ||||
| J-X 20/5.4 | 20 | 5.4 | 0.37 | |||||
| J-X 32/5.0 | 32 | 5.0 | 20 | 0.55 | ||||
| J-X 32/3.5 | 32 | 4.0 | 0.37 | |||||
| J-X 40/3.2 | 40 | 3.2 | 0.55 | |||||
| J-X 50/3.2 | 50 | 3.2 | 25 | 0.55 | 10 | 34 | ||
| J-X 50/2.2 | 50 | 2.5 | 0.37 | |||||
| J-X 65/2.5 | 65 | 2.5 | 28 | 0.55 | ||||
| J-X 65/1.7 | 65 | 1.7 | 0.37 | |||||
| J-X 80/2.0 | 80 | 2.0 | 32 | 0.55 | ||||
| J-X 80/1.3 | 80 | 1.3 | 0.37 | |||||
| J-X 100/1.6 | 100 | 1.6 | 35 | 0.55 | 15 | 34 | ||
| J-X 100/1.0 | 100 | 1.0 | 0.37 | |||||
| J-X 125/1.6 | 125 | 1.6 | 38 | 0.55 | ||||
| J-X 125/0.8 | 125 | 0.8 | 0.37 | |||||
| J-X 150/1.3 | 150 | 1.3 | 42 | 0.55 | ||||
| J-X 160/1.3 | 160 | 1.3 | 0.55 | |||||
| J-X 200/1.0 | 200 | 1.0 | 0.55 |

上一條: 2J-X型柱塞式計量泵
下一條: GB-S型隔膜式計量泵