凸輪轉子泵維修技術要點分析
摘要:凸輪轉子泵是化纖生產中物料(漿料)榆送系統的重要設備,介紹其技術性能、常見故障分析和維修技術要點,為設備通過管道連續…
銷售熱線
021-56082699 56081570
電子郵箱
likaimp@163.com
摘要:凸輪轉子泵是化纖生產中物料(漿料)榆送系統的重要設備,介紹其技術性能、常見故障分析和維修技術要點,為設備通過管道連續…
摘要:在化工領域,考慮到一次投賚成本和維修簡便,很多裝置內輸送物料場合業主習慣選用離心泵的轉子泵型比較多,而轉子泵如螺桿…
隨著生活水平和健康意識的不斷提高,人們對于食品安全的要求也越來越高。在食品及藥品生產過程中越來越多地采用了全自動化控制…
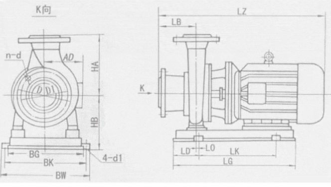
ISW、ISWR、ISWH、ISWD、ISWRD、ISWHD、ISWYD系列臥式單級單吸管道離心泵根據IS型離心泵與立式泵的結構組合設計,時根據使用溫度、介質等不同在ISW型基礎上派生出熱水泵、高溫泵、化工泵、油泵等。
ISW型臥式離心泵采用國內水力模型設計而成。同時根據使用溫度、介質等不同在ISW型基礎上派生出熱水泵、高溫泵、化工泵、油泵等,是目前國家標準定型推廣產品。



上一條: ISGB型便拆立式管道離心泵
下一條: ISG系列單級單吸立式離心泵